Carlos Chambel

Olá Mundo

Electronica + programação informática = robotica
Projectos na área da robótica. Envolve todas as fases de um projecto, desde a concepção, projecto, descrição, construção do modelo, dos circuitos electrónicos, programação e instalação do firmware para microcontroladores e outros componentes.

Tutoriais

Baterias LiPo

bateria litio Existem diversos tipos de baterias recarregáveis: NiCd=NíquelCádmio, NiMH=NíquelMetalHidreto, LiIon=Íons de Lítio, LiPo=Polímeros de Lítio, LiCoO=Óxido Lítio-Cobalto, Pb=Chumbo/ácido, etc. As vantagens/desvantagens entre cada um dos tipos de baterias, depende do projecto onde se integram, nomeadamente: 1. tensão, 2. corrente, 3. corrente máxima 4. peso, 5. dimensões, 6. manutenção, 7. formato, 8. custo, 9. etc. Neste apontamento são efectuadas algumas considerações apenas sobre as baterias LiPo. para ver mais clique aqui
para ver o filme clique aqui

.

Apontamentos sobre PWM e PPM

Olá Mundo Em terminalogia vulgar, um bit é um 0 ou um 1 (zero ou um) mas na verdade nos sistemas electrónicos não existem “zeros” nem “ums” mas sim estados lógicos, em que, se o dispositivo está ligado, será representado por um 1 ou ON e desligado por 0 ou OFF. A aplicação de uma voltagem representa um e a ausência de voltagem será interpretado como um zero. Em termos simples, a manifestação de qualquer energia, eléctrica ou não, pode ser representada na forma de uma onda Especificamente, na comunicação entre dispositivos electrónicos, e na vertente da robótica, são utilizados dois tipos de suporte, por exemplo quando se controlam motores servos ou controladores electrónicos de velocidade para os motores sem escovas, em que se usa o envio da informação com a modulação da largura do sinal (PWM), ou, por exemplo na transmissão RC em que os diversos canais são codificados em sinais PPM. para ver mais clique aqui

.

Timers Counters e Interrupts

Olá Mundo As abordagens efectuadas neste tutorial consideram-se com base da utilização das placas Arduino que incorporam os microcontroladores Atmel AVR. O assunto é muito vasto e complexo, quer a nível de programação, quer a nível do entendimento da arquitectura destes itens nos chips. Por essa razão, trata-se apenas de um ligeiro apontamento e de uma ideia do que é e como funcionam. A utilização destas técnicas são imprescíndiveis e extremamente vantajosas quando se pretende construir um projecto electrónico onde se verificam interacções com o exterior, nos dois sentidos (input e ouput) como é o caso dos robots. Quando um computador (sem processamento paralelo!) está em funcionamento e a executar as instruções desenvolvidas/previstas de um programa informático, essa execução é efectuada seguindo o fluxo dessas instruções. A questão que se põe é quando ou se for necessário saber, por exemplo, se um sensor é activado e como tratar a situação. Num fluxo de programação, pode-se evocar a qualquer momento uma rotina que efectue a leitura do respectivo pin de input e consoante a natureza dessa leitura, isto é, se pelos valores lidos, o sensor enviou ao computador dados significativos para ver mais clique aqui

.

Como efectuar o bind num radio comando spektrum DX6i e receptor AR6210

Olá Mundo O receptor deve ser vinculacao ou amarrado ao transmissor antes de ser utilizado. e o proceescesos pelo qual o receptor fica com o codigo do transmissor. assim o recpetor só recebera sinais deste tranmisssor e nao de outro qualquer que na vizinhança esteja a operar. 1 - desligar o transmissor (power OFF) 2 -ligar o bind plug ao receptor nos pinos bind/data, conforme esta no video 3- ligar a bateria ao receptor (em qualquer dos restantes pinos) respeitando as polaridades + e - 4- Pressionar e manter o botao de trainer/bind do transmissor 5-posicionar no transmissor o comando thottle na posicao mais baixa 6-ligar o comando (power ON) mantendo pressionado o botao trainer/bind 7-quando os led do receptor parar de piscar despressionar o botao de trainer/bind. significa que o bind está efecutado. 8- retirar a ficha bind plug do receptor 9-Desligar a bateria do receptor 9-desligar o transmissor 9-testar: 9.1 ligando uma bateria ao recpetor 9.2 e um stepper 9.3 POWER ON o comando 9.4 testar um canal 10- ligar o transmissor e testar um canal
para ver o filme clique aqui

.

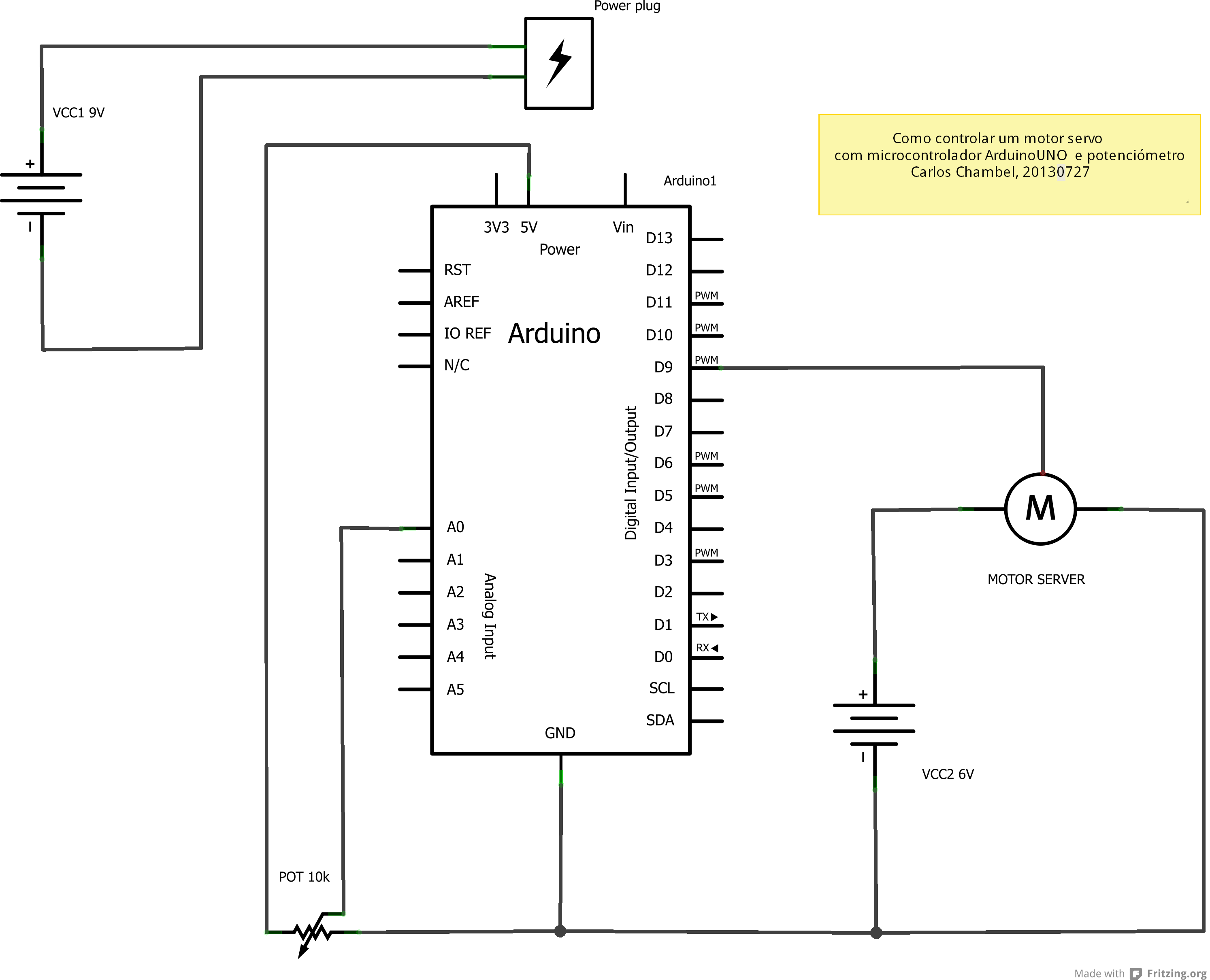
Motor Server

Olá Mundo No projecto para se obter o controlo de um motor tipo server, com um microcontrolador e um potenciómetro, é necessário:  Microcontrolador, neste caso, foi utilizado o Arduino UNO  Potenciómetro de 10 k  Motor server, neste caso, foi utilizado um motor server Parallax de rotação contínua  Pack de baterias de 6V para alimentar o motor  Bateria de 9V para alimentar o microcontrolador para ver mais clique aqui
para ver o esquema electronico clique aqui
para ver o filme clique aqui

.

PID (proportional, integral, derivative)

Olá Mundo Esta é uma matéria vasta e complexa, que envolve conceitos de matemática (cálculo de integrais), para além do domínio de todas as variáveis onde o sistema vai operar e seu controlo, e ainda quando se pretende desenvolver um programa informático para um microcontrolador, cujo objectivo é exactamente garantir o automatismo e precisão de funcionamento desse sistema. É uma técnica que se utiliza para atingir um eficaz controlo de funcionamento de sistemas aplicados em máquinas, automóveis, robots, mísseis, etc. O conceito de base é bastante antigo e existiu ao longo dos tempos como um sistema simplesmente mecânico, hidraulico ou electrónico. Mais recentemente o PID digital, com a utilização de microcontroladores e respectiva programação, atingiu níveis de velocidade de resposta, precisão e segurança extraordinários com um custo muito mais reduzido. para ver mais clique aqui

.

FFT - Transformada Rápida de Fourier

Olá Mundo A Transformada de Fourier é uma técnica matemática para obter a transformação de um conjunto de dados complexos de um domínio para um conjunto diferente de dados complexos num outro domínio. Esta designação é devida em homenagem ao matemático e físico francês Jean Baptiste Joseph Fourier (1768-1830), que em 1807 apresentou o seu trabalho sobre a propagação do calor em corpos sólidos e o uso de sinusoides para representar distribuições de temperatura, propondo, assim, que qualquer sinal periódico contínuo poderia ser representado como a soma das ondas de senos e cossenos com amplitudes, fases e períodos devidamente escolhidas. para ver mais clique aqui

.

Notas sobre computação quântica

Olá Mundo O nosso mundo é um sistema mecânico quântico. As partículas fundamentais têm propriedades(carga, massa, spin, posição, etc) que podem ser descritas usando informações quânticas. A computação quântica é uma tecnologia em pleno desenvolvimento, que promete superar os actuais e mais poderosos computadores do mercado para ver mais clique aqui

.

Notas sobre inteligência artificial

Olá Mundo A inteligência artifical é uma área da ciência da computação que simula a inteligência humana num computador, dando a este a capacidade de poder processar informações e tomar decisões futuras normalmente executadas por pessoas, utilizando técnicas de Machine Learning (aprendizagem de máquina), Deep Learning (aprendizagem profunda) e muitas outras abordagens, e com a capacidade de aprenderem com os processos realizados, perceberem as diferenças e se ajustarem a elas, sem intervenção directa do ser humano. para ver mais clique aqui